股票 杠杆-股票推荐机构靠什么赚钱-【东方资本】,有哪些正规股票的加杠杆平台啊,配资炒股赚10万是真的吗,同花顺 怎么开户

EC機器人IO接線

2024-11-01

1.  EC機器人IO接線介紹

EC機器人控制柜提供了豐富的IO接口,其中包括16路數字輸入接口,20路數字輸出接口(出廠時默認均為NPN類型,輸入可進行NPN與PNP類型切換,輸出不可配置),4 路模擬輸出,2路模擬輸入(-10V~10V),急停接口與防護停止接口各兩組。(機器人內部自帶24V電源,端子上所有24V內部已短接,所有COM已短接)

2.  接線說明

2.1 數字輸入接線說明(NPN)

2.2 數字輸入PNP如何配置

接線方式說明:

1、  J22與24V短接,J25與GNDP短接;NPN型輸入。

DI口為24V,COM口為0V;所以需要給DI口輸入0V,機器人得到信號。簡單理解DI口與COM口是一個常開型開關,短接到一起即可得到信號。

2、J22與24V短接,J25與24V短接;NPN型輸入。

DI口為24V,COM口為24V;所以需要給DI口輸入OV

3、J22與GNDP短接,J25與GNDP短接;PNP型輸入。

DI口為0V,COM口為0V;所以需要給DI口輸入24V.

4、J22與GNDP短接,J25與24V短接;PNP型輸入。

DI口為0V,COM口為24V;所以外部需要給DI口24V.

2.3 數字輸出接線說明

2.4 急停回路說明

2.5 防護停止接線說明

2.6 模擬輸入與輸出接線說明


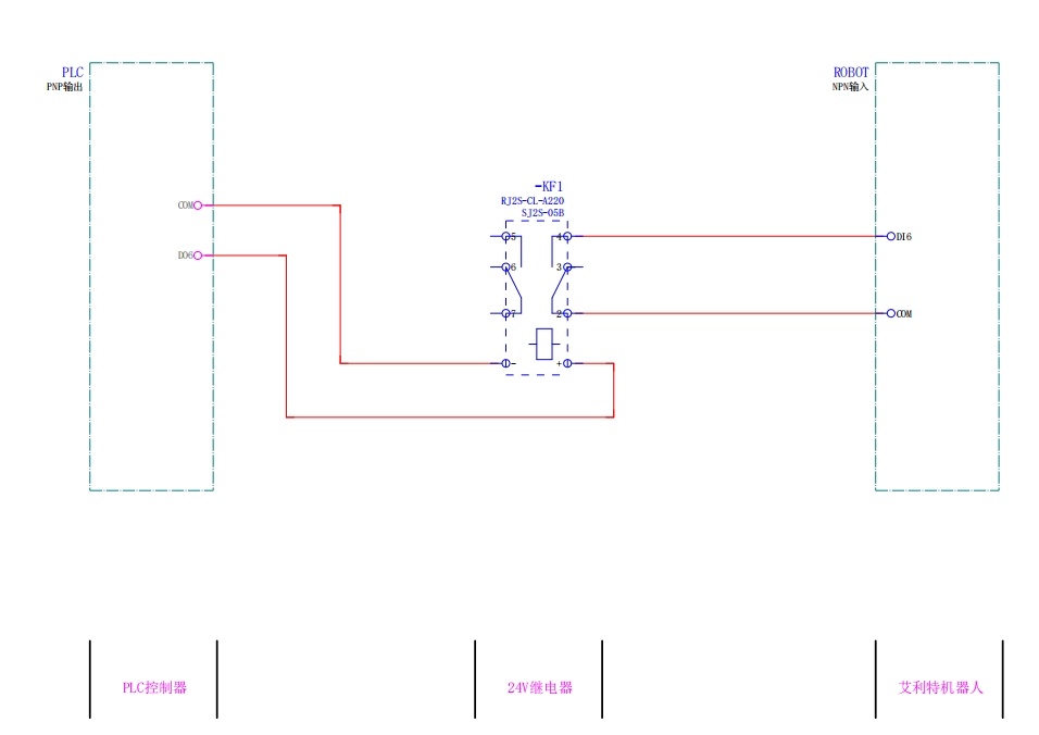
3.  通過繼電器進行NPN與PNP轉換

在實際使用過程中可能會遇到各種傳感器與PLC,PNP與NPN的都有,這種情況可以通過中間繼電器進行信號轉換,具體方法為將機器人的輸出信號接在繼電器的線圈端,負載接在繼電器的觸點端,當機器人輸出信號時,線圈得電,觸點吸合,負載得電。(輸入接法則相反,下圖為輸入接法)


4.  常見問題解答

4.1.問:接好傳感器后收不到傳感器信號

答:確定好傳感器NPN與PNP類型是否與機器人一致,不一致可以切換機器人輸入類型或者使用繼電器進行轉換


download-669.svg comicon14.svg

電話咨詢

download-397.svg comicon15.svg

免費試用

Vector.svg Frame.svg

微信小程序

img1.jpg

微信小程序

準備好突破增長瓶頸,開啟智能制造了嗎?
了解我們的機器人如何幫助您的業務增長
歡迎下載艾利特機器人資料

我已閱讀并同意艾利特《隱私政策》《法律聲明》

我已知曉并同意艾利特通過電子郵件發送相關資料

提交